


Доставка зі складу 5-10 днів.

Діммер освітлення SCO-814 для монтажу на DIN-рейку 230 В змінного струму 1000 Вт джерело живлення
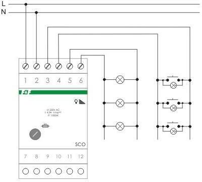
Робота Освітлення вмикається після імпульсу струму, викликаного натисканням миттєвого (дзвінкового) вимикача, підключеного до реле. Освітлення вимкнеться після наступного імпульсу. Утримання кнопки >1 сек. дозволяє встановити потрібну інтенсивність освітлення (плавне пульсування освітлення в циклі ЯСКРАШЕ→ТЕМНІШЕ→ЯСКРАШЕ). Після кожного ввімкнення освітлення повертається до попередньо встановленої яскравості в різних місцях кімнати. ПРИМІТКА! SCO-814 може працювати з кнопками з підсвічуванням.
УВАГА! SCO можна використовувати для галогенних ламп, які також живляться від трансформаторного джерела живлення або електронного джерела живлення, адаптованого для роботи з димерами, можуть некоректно працювати з деякими електронними джерелами живлення (наприклад, мерехтіння світла). Для деяких типів потрібні галогенні лампи загальною потужністю мін. 50% від номінальної потужності джерела живлення. Рекомендується провести тестування перед остаточним встановленням.
Напруга живлення: 230 В змінного струму Монтаж: 3-провідний Максимальний струм навантаження AC-1: 4,5 А Привід: симистор Пам'ять стану: ТАК Пам'ять стану після збою живлення: НІ Максимальна потужність підключених ламп: 1000 Вт Застосування: освітлення лампами розжарювання, галогенні, тороїдальні трансформатори Контроль навантаження: відключення при 0 (для індуктивних і резистивних навантажень) Підключення: 4,0 мм² гвинтові клеми Момент затягування: 0,4 Нм Споживана потужність: 0,3 Вт Робоча температура: -25 ÷ 50 °C Розміри: 3 модулі (52,5 мм) Монтаж: на рейку 35 мм Ступінь захисту: IP20< /p>Посібник користувача SCO-814 (667.2k)SCO-814 - CAD dxf діаграма (395,39k)Декларація SCO CE 2023 (179.19k)
| Основні | |
|---|---|
| Виробник | F&F |
| Стан | Новий |
| Користувальницькі характеристики | |
| Гарантійний термін (міс) | 12 |
| Марка | F&F |
| Матеріал | Tworzywo sztuczne |
| Напруга | 230 V |
| Тип | Klasyczny |
| Фактор захисту | IP20 |
| Колір | Szare |
- Ціна: 4 745 ₴
- В наявності
- Код: 5197178
Димер F&F Ściemniacz oświetlenia SCO-814
4 745 ₴
- +380 (68) 701-31-47Менеджер продаж

